ลำดับที่ | รหัส | รายการ |
| 1 | 196 4260 | ท่อพ่นน้ำ |
| 2 | 196 0060 | ปลายท่อพ่น |
| 3 | 401 6060 | Protection guard |
| 4 | 194 7660 | ตะแกรงกันความร้อน |
| 5 | 194 7930 | เข็มแบ่งน้ำมัน |
| 6 | 125 2610 | Washer |
| 7 | 102 3430 | ตะแกรงกันความร้อน |
| 8 | 194 7980 | ฝาครอบท่อนอกตัวท้าย |
| 9 | 194 7820 | ท่อใน |
| 10 | 194 7500 | แผ่นกำบังความร้อน |
| 11 | 105 4480 | Gasket |
| 12 | 101 9560 | แผ่นยึดท่อ |
| ลำดับที่ | รหัส | รายการ |
| 1 | 125 1800 | Screw for stainless steel tank |
| 2 | 124 0440 | สลักเปิด-ปิดน้ำยา |
| 3 | 128 6860 | Solution tap,upper part |
| 4 | 210 2760 | Solution tap,upper part cpl, |
| 5 | 127 7440 | Spring |
| 6 | 200 6140 | Washer |
| 7 | 210 2570 | Thrust piece,stainless steel |
| 8 | 128 6880 | Thrust piece, stainless steel (ใช้รหัส 210 2570) |
| 9 | 127 8500 | ปะเก็นเปิด-ปิดน้ำยาตัวบน |
| 10 | 210 2770 | Solution tap,cpl |
| 11 | 127 8680 | ปะเก็นเปิด-ปิดน้ำยาตัวกลาง |
| 12 | 194 7780 | ฐานวาวล์น้ำยา |
| 13 | 105 4740 | ท่อน้ำยา |
| 14 | 450 1440 | Threaded pin |
| 15 | 143 0810 | ปะเก็นเปิด-ปิดน้ำยาตัวล่าง |
| 16 | 197 8010 | สายยางท่อลม |
| 17 | 125 1800 | Screw for stainless steel tank |
| 18 | 120 1200 | ปะเก็นแท่นน้ำยา |
| 19 | 194 7790 | Dosage nozzle 1.0,stainless steel,with gasket |
| 20 | 194 7710 | สายน้ำยา |
| 21 | 210 3710 | Standaed nozzle set,cpl (0.8/1.0/1.7 ) |
| 22 | 401 2050 | Solution socket / หัวหยดน้ายาเคมี (T) |
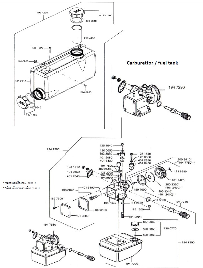
| ลำดับที่ | รหัส | รายการ |
| 1 | 105 4230 | ถังน้ำยาเคมีครบชุด |
| 2 | 125 1800 | Screw for stainless steel tank |
| 3 | 105 2110 | ถังน้ำยาเคมี ความุ 6.5 ลิตร |
| 4 | 400 9640 | ปะเก็นฝาถังน้ำยาเคมี |
| 5 | 143 1460 | ชุดฝาถังน้ำยาเคมี |
| 6 | 210 4430 | ไส้กรองของถังน้ำยาเคมี |
| 7 | 194 7290 | ชุดคาร์บูเรเตอร์ |
| 8 | 125 1640 | Screw |
| 9 | 120 0650 | Gasket |
| 10 | 102 3850 | ฝาครอบวาวล์ลมสีแดง |
| 11 | 401 2080 | ไดอะแฟรมดันวาวล์ลม |
| 12 | 401 6430 | Gasket |
| 13 | 123 4710 | Nut |
| 14 | 121 2150 | Spring washer |
| 15 | 401 2040 | ปะเก็นท่อไอเสีย |
| 16 | 194 7520 | วาวล์เปิด-ปิดน้ำมัน |
| 17 | 402 2510 | Plastic cap |
| 18 | 125 3000 | โอริงเข็มแบ่งน้ำมัน |
| 19 | 194 7530 | เข็มแบ่งน้ำมัน |
| 20 | 125 1640 | Screw |
| 21 | 120 0650 | Gasket |
| 22 | 401 2890 | Cover,black |
| 23 | 401 6430 | Gasket |
| 24 | 189 7600 | Screw |
| 25 | 196 8340 | Two-way jet with O-ring |
| 26 | 401 8490 | Gasket |
| 27 | 200 3410 | Non-returm for applicators from serial No.023917 on |
| 28 | 194 7750 | ฝาครอบแอร์อินเทควาวล์ |
| 29 | 123 8380 | Nut |
| 30 | 401 2420 | Cover,plate |
| 31 | 200 3320 | Diaphragm for applicators from serial No.023917 on |
| 32 | 401 2430 | Diaphragm for applicators up to serial No.023916 |
| 33 | 200 3310 | Spacer plate,black for applicators from serial No.023917 on |
| 34 | 401 2410 | Distance plate,red for for applicators up to serial No.023916 |
| 35 | 189 7600 | Screw |
| 36 | 401 6550 | O-ring |
| 37 | 194 7730 | แกนอากาศ |
| 38 | 111 0820 | O-ring |
| 39 | 194 7430 | เรือนเสื้อคาร์บูเรเตอร์ |
| 40 | 402 8490 | Gasket |
| 41 | 401 2200 | Carburettor cover |
| 42 | 125 1300 | Screw |
| 43 | 401 2220 | ไส้กรองน้ำมัน |
| 44 | 127 9060 | ฝาถังน้ำมันเชื้อเพลิง |
| 45 | 450 9850 | ปะเก็นฝาถังน้ำมันเชื้อเพลิง |
| 46 | 136 0770 | ชุดฝาถังน้ำมันเชื้อเพลิง |
| 47 | 450 9560 | โอริงล็อคปะเก็นฝาถังน้ำมันเชื้อเพลิง |
| 48 | 194 7300 | ชุดถังน้ำมันเชื้อเพลิง |
| ลำดับที่ | รหัส | รายการ |
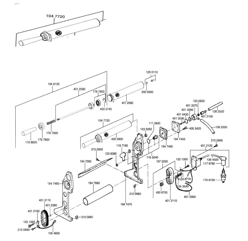
| 1 | 194 7720 | ชุดกระบอกสูบลม |
| 2 | 194 8130 | ชุดด้ามกระบอกสูบลม |
| 3 | 401 2590 | Pump plunger with collar |
| 4 | 176 7900 | สปริงกระบอกสูบลม |
| 5 | 129 0110 | Pump nozzle |
| 6 | 200 6560 | Gasket |
| 7 | 401 2580 | Pump Plate |
| 8 | 176 7950 | Spring |
| 9 | 176 7850 | ฝาครอบกระบอกสูบลม |
| 10 | 116 8820 | ด้ามับกะบอกสูบลม |
| 11 | 400 0900 | Label "Ear protection |
| 12 | 194 7280 | Protection shild |
| 13 | 194 7480 | Support (battery side ) |
| 14 | 120 0650 | Gasket |
| 15 | 401 2070 | Cover,black |
| 16 | 401 2080 | ไดอะแฟรมดันวาวล์ลม |
| 17 | 401 6430 | Gasket |
| 18 | 401 2090 | น็อตยึดวาวล์ลม |
| 19 | 111 0820 | O-ring |
| 20 | 123 5950 | Nut |
| 21 | 116 7180 | ยางฝาครอบสวิทสตาร์ท |
| 22 | 123 8380 | Nut |
| 23 | 401 2110 | ฝาครอบกระบอกรังถ่านด้านหน้า |
| 24 | 401 2380 | O-ring Viton |
| 25 | 401 2180 | Contact strip |
| 26 | 125 1560 | Screw |
| 27 | 210 0990 | Screw |
| 28 | 194 7680 | กระบอกรังถ่าน |
| 29 | 136 2550 | Hose |
| 30 | 401 2100 | Nipple |
| 31 | 400 5420 | Screw |
| 32 | 194 7450 | ฝาครอบตัวดันสวิท |
| 33 | 194 7460 | ไดอะแฟรมดันวสวิท |
| 34 | 116 5640 | สวิทสตาร์ท |
| 35 | 197 2250 | ฝาครอบกระบอกรังถ่านด้านหลัง |
| 36 | 210 0990 | Screw |
| 37 | 401 2120 | คอยล์ไฟ |
| 38 | 125 1300 | Screw |
| 39 | 105 4850 | Ground cable |
| 40 | 136 4500 | สายคอยล์ไฟ |
| 41 | 117 9780 | ฝาครอบหัวเทียน |
| 42 | 124 8770 | Screw |
| 43 | 450 6700 | Contact spring |
| 44 | 194 7470 | Support (ignition coil side ) |
| 45 | 401 2110 | ฝาครอบกระบอกรังถ่านด้านหน้า |
| 46 | 401 2060 | Cable with eyelet |