อะไหล่เครื่องพ่นหมอกควัน Best Fogger

Best Fogger

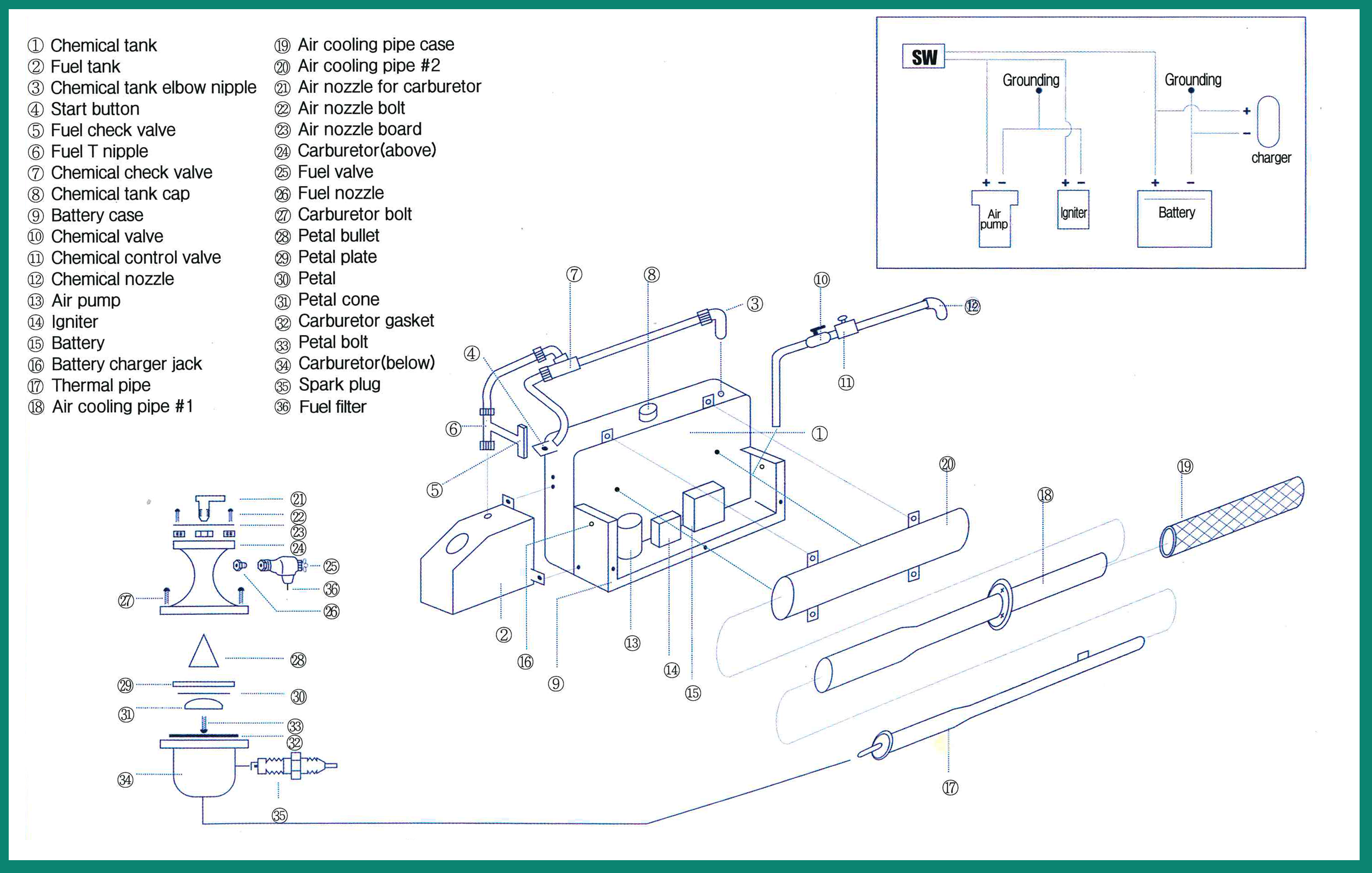
ลำดับ
รายการอะไหล่
No.1
ถังน้ำยา
No.2
ถังน้ำมัน
No.3
ข้อต่อฉากถังน้ำมัน
No.4
ปุ่มกดสตาร์ท
No.5
วาล์วกันกลับ
No.6
ข้อต่อสามทางถังน้ำมัน
No.7
ข้อต่อชุดวาล์วกันกลับ
No.8
ฝาปิดถังน้ำยา
No.9
เฟรมเครื่อง
No.10
วาล์วคุมน้ำยา (แบบก้านแดง)
No.11
วาล์วปรับน้ำยา (แบบหมุนวงกลม)
No.12
ข้อต่อหัวฉีดน้ำยา
No.13
ปั๊มลม
No.14
คอล์ยจุดสตาร์ท
No.15
แบตเตอร์รี่
No.16
แจ๊คชาร์ทแบตเตอร์รี่
No.17
ท่อเผาไหม้
No.18
ท่อระบายความร้อนตัวใน
No.19
ตะแกรงกันความร้อนท่อเผาไหม้
No.20
ท่อระบายความร้อนตัวนอก
No.21
ข้อต่อฉากลมคาร์บูเรเตอร์
No.22
น็อตยึดคาร์บูเรเตอร์
No.23
แผ่นเพลทข้อต่อฉากคาร์บูเรเตอร์
No.24
คาร์บูเรเตอร์ (ตัวบน)
No.25
วาล์วน้ำมัน
No.26
หัวฉีดน้ำมัน
No.27
น็อตยึดคาร์บูเรเตอร์
No.28
กรวยคาร์บูเรเตอร์ (ตัวบน)
No.29
แผ่นเพลทคาร์บูเรเตอร์
No.30
แผ่นไดอะแฟรม
No.31
กรวยคาร์บูเรเตอร์ (ตัวล่าง)
No.32
ปะเก็นคาร์บูเรเตอร์
No.33
น็อตยึดกรวยคาร์บูเรเตอร์
No.34
คาร์บูเรเตอร์ตัวล่าง
No.35
หัวเทียน
No.36
อะแดปเตอร์ชสร์ทแบตเตอร์
No.37
สายสะพาย
Powered by MakeWebEasy.com
เว็บไซต์นี้มีการใช้งานคุกกี้ เพื่อเพิ่มประสิทธิภาพและประสบการณ์ที่ดีในการใช้งานเว็บไซต์ของท่าน ท่านสามารถอ่านรายละเอียดเพิ่มเติมได้ที่ นโยบายความเป็นส่วนตัว  และ  นโยบายคุกกี้